共计 1797 个字符,预计需要花费 5 分钟才能阅读完成。
在电力电子技术领域,逆变技术是实现电能形式转换的核心手段,广泛应用于新能源发电、电机驱动、不间断电源(UPS)等诸多场景。其中,正弦脉冲宽度调制(SPWM)逆变因能输出接近正弦波的交流电、谐波含量低、控制精度高,成为目前应用最广泛的逆变方式之一。单极性 SPWM 逆变作为 SPWM 技术的重要分支,凭借其独特的工作特性,在中低压、中小功率领域占据着重要地位。本文将从基本概念、工作原理、调制方式、核心优势及应用场景等方面,对单极性 SPWM 逆变技术进行全面解析。
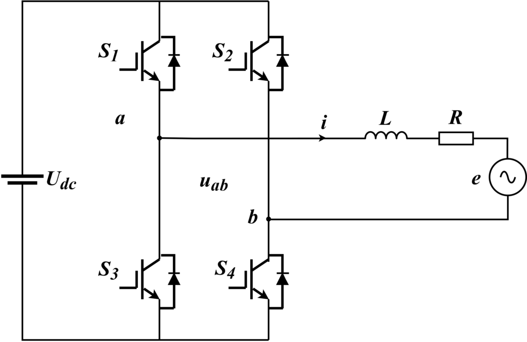
一、拓扑结构
全桥逆变拓扑结构与全桥驱动拓结构一样,由两个半桥和滤波器构成,使用 PWM 调制或者 SPWM 调制实现从直流电逆变到交流正弦。

二、SPWM
SPWM 即正弦脉冲宽度调制,其核心思想是:以频率固定、幅值可变的正弦波作为“调制波”,以频率远高于调制波的等腰三角波作为“载波”,通过将两者进行比较,由比较结果控制功率开关器件的通断,从而生成一系列脉冲宽度按正弦规律变化的方波。这些脉冲波的平均值等效于调制波的正弦波形,最终通过滤波环节即可得到平滑的正弦交流电。
SPWM 的核心量化关系可通过调制比 M 描述,调制比定义为调制波幅值与载波幅值的比值,公式为:
(其中 U cm为载波幅值)。调制比是决定 SPWM 输出电压有效值的关键参数,当 0≤M≤1 时,输出 SPWM 脉冲波的基波幅值 U 1m与调制比成正比,即
(Ud为直流侧输入电压),此时输出波形为线性调制;当 M >1 时,会进入过调制区域,输出基波幅值增长放缓,谐波含量显著增加,通常实际应用中会控制 M≤1 以保证输出波形质量。
从频谱特性来看,SPWM 脉冲波的谐波主要集中在载波频率 f c及其附近的边频带(fc±kfr,k = 1,2,3…),且低次谐波(如 3 次、5 次、7 次谐波)含量极低。这一特性使得后续滤波环节只需设计针对高频载波谐波的 LC 滤波电路即可,大幅简化了滤波设计难度,滤波后可得到与调制波频率、相位一致的平滑正弦交流电,其有效值
而“单极性”则是针对 SPWM 输出脉冲的极性而言。在单极性 SPWM 逆变中,输出脉冲的极性在半个调制波周期内保持不变,仅在另半个周期内翻转极性。具体来说,在调制波的正半周,输出脉冲始终为正极性,仅脉冲宽度随正弦规律变化;在调制波的负半周,输出脉冲始终为负极性,脉冲宽度同样随正弦规律变化。这一特性与双极性 SPWM 形成鲜明对比——双极性 SPWM 在整个调制波周期内,输出脉冲的极性会随载波的变化不断翻转。
三、单极性 SPWM
SPWM 调制基本原理就是面积等效原理,即冲量相等而形状不同的窄脉冲加在具有惯性的环节上时,其效果基本相同。换句话说就是通过一系列形状不同的窄脉冲信号,相对应时间的积分相等(面积相等),其最终效果相同。所以 SPWM 就是输入一段幅值相等的脉冲序列去等效正弦波,因此输出为高的脉冲时间宽度基本上呈正弦规律变化。

正弦波的正半周期整体如下所示,由图中我们可以知道以下几点:
- 载波 PWM 的周期为T;
- 线段 BO 为当前这个等腰三角形的垂线;
- 线段 BO 与正弦曲线 sin(wt) 相交于点A;
- 所以在该周期内 T1=T2,PWM 所需要的脉冲时间宽度 Ton 满足:Ton=T1+T2

由于三角波为等腰对称结构,垂线 BO 将三角波分为两个全等直角三角形,因此脉冲宽度的两部分满足T1=T2,最终脉冲有效宽度Ton=T1+T2。
根据几何相似性,三角波的幅值比例与时间比例一致,即BO/AO=T/Ton。代入已知条件AO=sin(ωt0)、BO=1,可得基础公式:Ton=T⋅sin(ωt0)。
若三角波载波最大幅值不为 1(设为U),则需考虑正弦波与载波的幅值比例,公式修正为:
四、双极性 SPWM
只要符合面积等效原理,PWM 还可以是双极性的,具体如下图所示,这种调制方式叫双极性 SPWM,在实际应用中更为广泛。

五、硬件设计
系统拓扑:

PCB 设计:

六、开源地址: