共计 5259 个字符,预计需要花费 14 分钟才能阅读完成。
这版无感无刷主要分享硬件设计,软件方面由于芯片选型导致实际控制效果迟滞较高。
无刷直流电机(Brushless DC Motor, BLDC)凭借高效率、长寿命、低噪声等优势,广泛应用于新能源汽车、无人机、家电等领域。根据转子位置检测方式的不同,可分为 有感无刷电机 和无感无刷电机 两大类,二者核心差异集中在转子位置信息的获取方式,进而影响控制逻辑、成本与适用场景。
一、无感无刷与有感无刷电机的核心差异
1.1 有感无刷电机
有感无刷电机通过 外置位置传感器(如霍尔传感器、光电编码器、旋转变压器)直接检测转子磁极位置,将位置信号传输给控制器,控制器根据实时位置信息精准控制定子绕组的通电顺序与时机。
优势:控制精度高、启动性能好(启动转矩大、无抖动)、低速运行平稳,对复杂工况的适应性强;劣势:增加了传感器成本、安装空间需求,传感器的可靠性受环境(温度、湿度、振动)影响较大,降低了系统的抗干扰能力和稳定性。
1.2 无感无刷电机
无感无刷电机不依赖外置传感器,而是通过 检测定子绕组的反电动势(Back Electromotive Force, BEMF)、相电流、母线电压 等电气参数,结合算法估算转子的实时位置,实现绕组的精准换向控制。
优势:结构简洁、成本更低、体积更小、可靠性更高,无传感器的机械磨损和环境干扰问题,适用于空间受限、环境恶劣的场景;劣势:启动阶段反电动势为零,无法直接估算位置,需特殊启动策略(如三段式启动),低速运行时反电动势信号微弱,估算精度易受干扰,高速运行时性能与有感电机接近。
二、无刷电机概述
无刷直流(Brushless Direct Current, BLDC)电机属于同步电机的一种,可配置为单相,两相,三相。此文讨论的都是三相无刷电机。

无刷电机的组成分为定子和转子两部分:
- 定子是线圈绕组电枢,具有三个星型连接的定子绕组,沿着定子圆周分布这些绕组,以构成均匀分布的磁极。
- 转子用永磁体制成,永磁体的磁极数目大多为 2 到 8 磁极。南磁极和北磁极交替。

如果只给电机通固定的直流电流,电机只会产生不变的磁场。无法转动起来。只有通过适当的顺序来为定子相位供电,在定子上产生一个旋转磁场。转子的固有磁极跟随定子的旋转磁场有序旋转,才能达到转动的目的。
理想状态下,转矩峰值出现在两个磁场正交时候,而在两磁场平行时最弱。
重要参数
- KV 值 (rpm/V):可以直观表示无刷电机在具体工作电压下的具体转速。
- 转矩 (Nm):电机中转子产生的可以用来带动机械负载的驱动力矩。
- 转速 (rpm):电机每分钟的转速。
- 最大电流 (A):可以承受并安全工作的最大电流。
- 极对数 Pp:转子上磁钢的数量除以 2,可以通过给任意两相通过小电压,手动旋转电机一周,感受阻力的次数就是极对数。如感到 6 次阻力,极对数就是 6。
- 相电感 LS (H):电机静止时的定子绕组两端的电感为 LL, 相电感为其一半:
- 相电阻 RS (Ω):万用表测电机两项电阻 RL,相电阻为其一半:
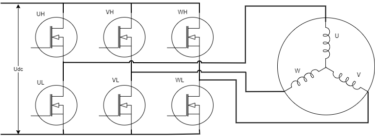
驱动主回路拓扑
无刷电机一般通过 6 MOS 管组成的逆变电路进行驱动,通过上臂和下臂开关器件的组合,可以在定子上产生一个旋转磁场。

三、无刷电机驱动
无刷电机定子绕组为三相对称绕组(A、B、C),转子为永磁体。当定子绕组通入直流电流时,会产生定子磁场,转子永磁体在定子磁场的电磁转矩作用下转动,电磁转矩公式为:
其中,Te为电磁转矩,p 为电机极对数,为转子永磁体磁链,iq为 q 轴电流(转矩电流)。六步换向通过控制 i q的方向和大小,保证电磁转矩稳定输出。
反电动势是转子转动切割定子磁场产生的感应电动势,其方向与绕组电流方向相反,三相对称反电动势表达式为:
其中,Em为反电动势峰值,为转子电角度(即转子位置角)。六步换向的核心逻辑是:通过检测反电动势过零点,确定转子位置,进而触发绕组换向。
六步换向
为了驱动无刷电机转子转动,需要按照一定的顺序导通特定 MOS 完成换向,同一时间只有两相导通 (120° 导通), 另一相不导通 (悬空)。转子每转过 60° 电角度,定子换向一次,定子旋转磁场在一次换向后也变化 60° 电角度,实现同步控制。下图演示的都是一极对,电角度和几何角度一致,每次换向只切换一个桥臂(只切换一相),使得切换控制较平稳,故换向也有人称作换相。六步换向的绕组导通顺序为“两两导通、三相循环”,每个导通阶段对应 60°电角度,具体换相步骤如下:
阶段 1(0°~60°):A 相通电(电流流入),B 相通电(电流流出),C 相悬空。定子磁场方向为 A→B,转子在电磁转矩作用下转动,反电动势 正向增大,负向增大,接近零。

阶段 2(60°~120°):A 相通电(流入),B 相通电(流出),C 相悬空。当转子转动至 60°电角度时,过零点(从负变正),控制器检测到过零点后触发换相,定子磁场方向变为 A→B。

阶段 3(120°~180°):C 相通电(流入),B 相通电(流出),A 相悬空。转子转动至 120°电角度时,过零点(从正变负),触发换相,磁场方向 C→B。

阶段 4(180°~240°):C 相通电(流入),A 相通电(流出),B 相悬空。转子转动至 180°电角度时,过零点(从正变负),触发换相,磁场方向 C→A。

阶段 5(240°~300°):B 相通电(流入),A 相通电(流出),C 相悬空。转子转动至 240°电角度时,过零点(从正变负),触发换相,磁场方向 B→A。

阶段 6(300°~360°):B 相通电(流入),C 相通电(流出),A 相悬空。转子转动至 300°电角度时,过零点(从负变正),触发换相,磁场方向 B→C。

完成 6 个阶段后,转子转动 360°电角度,控制器重复上述流程,实现电机持续转动。六步换向的关键是“反电动势过零点检测”,过零点对应转子位置角的关键节点,是触发换相的核心信号。
四、换向检测
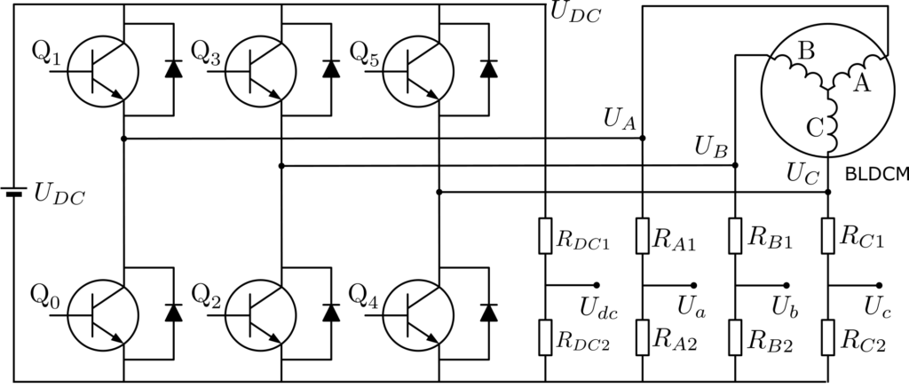
无感无刷电机的换相检测核心是“获取转子位置信息”,而转子位置与反电动势过零点直接相关。电阻分压网络是一种低成本、简洁的反电动势检测方案,通过分压电阻采集电机三相绕组的端电压,再通过硬件电路或软件算法提取反电动势过零点信号。
反电动势
感应电动势又分为:动生电动势、感生电动势。动生电动势是一种由于导体在磁场中运动而在导体内部产生的电动势。感生电动势是一种由于磁场变化而在静止导体中产生的一种电动势。
BLDC 产生的感应电动势 (反电动势) 是感生电动势。
其中 E 为反电动势,为磁通量,n 为绕组匝数。
母线电压

如上图所示,是 BLDC 的定子三相绕组星形连接的等效电路图,假设此时 B 相 (极) 为悬空相,需要检测该相的反电动势过零点,根据基尔霍夫电压定律 (Kirchhoff’s Voltage Law, KVL) 先建立数学模型:
其中 、、 为三相绕组 A、B、C 三个极上的电势,
、、为三相绕组内的电流, 并因为 B 相悬空,故有
、、为三相绕组上的反电动势,
为三相绕组的公共点 N 的电势,L 为各相绕组线圈的电感。
再根据基尔霍夫电流定律 (Kirchhoff’s Current Law, KCL) 建立方程
由式 (1) 和式 (3), 并结合式 (5) 可知
由式 (2) 结合式 (4) 可知
也就是说,悬空相上的反电动势就是悬空相对应极 (端) 的电势减去中性点的电势。
BLDC 三相线圈的公共点 (中性点) N 在电机内部,并没有引出,不能直接测量得到中性点的电势 。
在 B 相的反电动势过零点时刻,因为 A 相和 C 相在几何上相对于 B 相呈对称布局,故 A 相和 C 相的磁通量变化率绝对值相同但符号相反,即
由反电动势的计算公式 (1) 可知
那么在 B 相的反电动势过零点时刻, 式 (6) 和式 (7) 可以简化为
反电动势过零点时刻,需要检测并验证下式是否成立
上式中 对应悬空相的端电压。因为存在一相悬空故电机驱动的输入的母线电压全部加载于未悬空的 A 相和 C 相,即 是母线电压 也就是说,通过测量悬空相的端电压,并将其与母线电压的一半进行对比,即可确定悬空相反电动势过零点的时刻。
进一步,采用分压电阻对端电压和直流母线电压进行分压,使分压后的被测信号(即 、、 和)在采样单元允许的输入范围内。电路实现如下图所示:

虚拟中性点
因为“BLDC 三相线圈的公共点 (中性点) N 在电机内部,并没有引出,不能直接测量得到中性点的电势 ”,但是也可以构造虚拟中性点来模拟真实中性点的电势。
下图所示是虚拟中性点的原理图:

先针对 BLDC 三相绕组建立数学公式
上式中第 5 个式子,在悬空相反电动势过零时刻成立,即此时反电动势之和为零 (参考式 (9))。将式 (12) 中前三行式子两侧各自相加,并考虑后两个式子,得到悬空相反电动势过零时刻实际三相绕组中性点 N 的电势为
再针对虚拟中性点建立数学公式
对式 (14) 中前三式两侧相加,得到虚拟中性点 的电势
结合式 (13) 和式 (15) 得到
即反电动势过零点时,虚拟中性点与三相绕组中性点电压一致。
结合式 (7) 和式 (16),
反电动势过零点时刻 E_b =0,只需要检测并验证下式是否成立
虚拟中性点的检测电路如下:

实际电路如下:


PCB 设计:
